替代进口SPD
当雷击发生时,对建筑物存在巨大威胁可能是带电积云与地面目标之间强烈放电的直击雷,也可能是雷电放电时,在附近导体上产生的静电感应和电磁感应以及雷击发生时雷电流可能击中架空的电力线或通信线,也可能击在这些金属线缆附近而感应出电涌电流。
威胁类型决定SPD浪涌保护器的选型,对于那些由于直击雷带来的威胁,可以选用I级SPD浪涌保护器;而那些由于雷电感应带来的威胁,一般选用II级或者III级的SPD浪涌保护器。
当能够确定下建筑物入口处的SPD浪涌保护器类型后,就要考虑一下SPD浪涌保护器的通流量了,国标中规定,如果雷电冲击电流值Iimp无法确定时,则每一保护模式的Iimp值不应小于12.5KA。因此I级根据通流量的不同,可以选择EPO-20AL;II级电源浪涌保护器中也能根据通流量的不同,可选择EPO-100BL、EPO-80BL、EPO-40CL以及EPO-25DL,皆符合标准。
除了通流量外,SPD浪涌保护器选择的重点还有安装点预期的电压限制能力和能量耐受能力,主要参数为Uc、In(8/20us),Iimp(10/350us)、Up、接线形式、连接线规格。
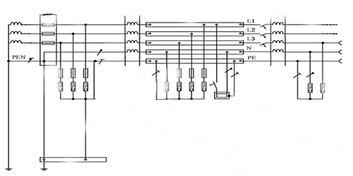
定下SPD浪涌保护器类型以及参数后,需要在建筑物中适当的位置接入SPD浪涌保护器,接线如下图所示:

由图可知,一般电源型SPD浪涌保护器并联在线路中,当雷电流来临时,不仅能够将雷电流倒入大地,并且还能让保护设备正常运行。
易造科技生产的SPD浪涌保护器,一级浪涌保护器、EPO-80BL、EPO-40CL结构坚固,拥有超高的过电压耐受能力,雷电流畅通无阻,设备防雷持续有效,根据不同的类型适用于各个安装位置,在防雷项目中广泛使用,并获得了良好的成效
微信咨询
官方公众号