在电气防雷工程中,电源浪涌保护器(SPD)的安装方式有个行业共识:几乎都是采用并联在电路的接法。很多人会疑惑,浪涌保护器不能直接串联在电路中吗?这样安装不是更简单吗?今天,易造小编来和大家一起分享这个关乎用电安全的问题。

1.浪涌保护器工作原理决定了并联安装

易造浪涌保护器
要理解浪涌保护器为什么是并联安装,首先要明白电源浪涌保护器的工作原理,它不是开关,也不是滤波器,它的核心功能只有一个:就是在极短时间内为危险的过电压提供一个低阻抗的泄放通道。

内部原理图
想象一下,雷击或电网波动产生的浪涌电压就像洪水突然冲向您的电气系统,浪涌保护器不是大坝完全拦住洪水,而是在旁边紧急开凿一条泄洪道,将大部分洪水引走,确保主河道(您的设备线路)水位安全。
这个泄洪道必须是并联的,如果把它做成串联的闸门,正常水流(工作电流)会被它阻挡,浪涌洪水来临时,它要么被冲垮,要么把整个河道完全堵死。
2.为什么电源浪涌保护器不能串联安装?

(1)SPD串联安装的电路危机
如果将SPD串联在线路中,在220V的正常工作电压下,其核心元件压敏电阻会呈现高阻抗状态。这将会导致一个问题,您的后端设备供电电压会远低于220V,甚至电压过不去,从而导致后备设备无法工作。
(2)SPD串联安装的短路危机
当浪涌来袭时,串联安装的SPD需要从高阻抗瞬间变为低阻抗来泄放电流。此时,巨大的浪涌电流仍会沿线路流经后端用电设备,不仅无法抵御过电压冲击,还可能因SPD的低阻特性导致电流瞬时增大,击穿您要保护的设备,甚至引起电力事故。就像用自己身体去堵枪眼,勇气可嘉,但一次就牺牲了。
浪涌保护器内部防雷元件是不能直接串联在线路中,串联接法会使浪涌保护器在正常时阻碍系统运行,在浪涌侵入时直接威胁系统安全,与保护目的背道而驰。因此,只有浪涌保护器并联在供电线路两侧才能起到最大防护效果。
3.串联型浪涌保护器的真相

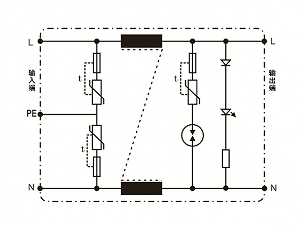
串联型原理图
您可能会问,那市面上也有串联安装的浪涌保护器,那是怎么回事?这其实是一个产品形态化的简化,从外部接线来看是串联型的一进一出,但内部防雷保护元件仍然是并联在线路中的,当防雷元件失效短路时,脱离装置会动作,将整个产品从线路中切断。所以它本质上还是属于串联安装形式+并联泄放原理的混合设计,并非真正的串联保护。
电源浪涌保护器并联在线路中是没毛病的,满足平时不添乱、浪涌能防护的核心需求。搞懂这个逻辑,选对匹配线路参数的SPD,才能真正让浪涌保护器成为电气系统的防雷卫士。立即咨询了解更多浪涌保护器资讯。


常见问题解答:
Q1:防爆浪涌保护器,串联和并联技术的参数都一样吗?
A:基本参数差不了多少,只是串联的要考虑负载电流。
Q2:一般信号浪涌有哪些信号类型?
A:通讯信号、总线信号、模拟量信号比较常见。
Q3:浪涌保护器的简单选型要点是什么?
A:浪涌简单选型只要掌握两点即可:1、了解相电压,乘以1.15的公式,可以轻松得出SPD需要的UC值,一般选常用的电压值。2、了解这个配电箱是装在室内还是室外?它的电从外面还是内部引进的,可以判断选一级还是二级。
Q4:美国电压480V 能用你们Uc385的产品吗?UL认证。
A:美国标准277V(L-N)/480V(L-L)Uc=1.15Uo,Uo为相电压,即L-N,所以Uc最小=1.15x277=319V,所以易造浪涌Uc385完全可以满足,并且有UL认证。
Q5:浪涌保护器的简单选型要点是什么?
A:浪涌简单选型只要掌握两点即可:1、了解相电压,乘以1.15的公式,可以得出SPD最小UC值,一般选高于且常用的电压值。2、了解这个配电箱是装在室内还是室外?它的电从外面还是内部引进的,可以判断选一级还是二级。
Q6:浪涌保护器的用途和材质是什么?
A:主要用于保护电路免受电压波动、过载或电涌等异常情况的损害,材质主要是尼龙和金属。
Q7:三根火线是220V,这个电压值怎么选型?
A:220V是零线和地线的电压,即相电压,Uc=1.15Uo(相电压),所以Uc最小=1.15x220=253V,选常用的电压值UC385即可。