替代进口SPD
浪涌保护器安装在供电系统或通信系统中。为了防止直接或间接雷电引起的瞬时电压升高,保护系统中的电气设备。浪涌保护器需要正确安装才能起到防雷的作用。下面易造小编详细给大家介绍低压SPD浪涌保护器的安装和保护。
一、根据防雷分区及其类型,YSPD系列浪涌保护器安装位置如下:
T1级:主要作用是泄放,波形为10/350μs,主要用于LPZ0区与LPZ1区分界处(总配电箱、低压变压器进线柜),使系统设备免遭雷电击中线路而引起的浪涌电流损害。
T2级:主要作用是限压,它将上一级残留浪涌电压值限定到1.5KV—2.0KV,其波形为8/20μs,用于LPZ1区与LPZ2区分界处或以后的雷电防护分界处(楼层配电箱、电表箱或终端箱),防止由于间接雷击或开关操作引起的瞬态浪涌电压。
T3级:主要作用是钳压,安装在防雷分区LPZ2往后(次级电源面板,靠近灵敏设备)的区域。对线路末端用电设备进一步保护。

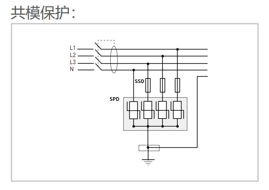
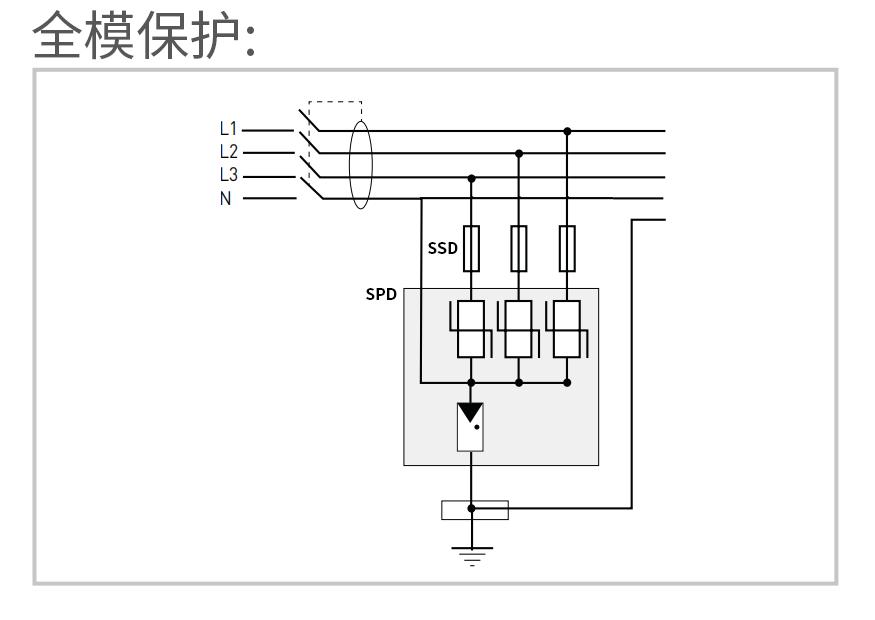
二、在SPD选型适配时,都会遇到共模保护和差模保护,那么,它们究竟是什么呢?易造小编带您了解低压SPD浪涌保护器的安装和保护:
雷击发生时,周围产生瞬变电磁场,该电磁场内的导线和金属感应干扰电压,分为差模干扰电压和共模干扰电压。
差模干扰电压出现在两个信号线之间,与有用信号串联,导致测量误差或误动作。
共模干扰电压在对称工作的两条线路上出现在线路的电中性点和接地点之间,信号的两条线具有相同的干扰电压。
1. 共模保护:指浪涌保护器(SPD)接在相线、中性线对地线之间,线路与设备内电路和器件对地绝缘。

1.全模保护是既有共模保护又有差模保护,既可以防止相对地,中对地的过电压,又可避免相对中的过电压。
差模保护:浪涌保护器(SPD)连接在相线和中性线之间或相线和相线之间。保护设备两个输入端之间的电路和设备。

三、安装浪涌保护器时怎么接线呢?
1.在根据GB 50343《建筑物电子信息系统防雷技术规范》5.4.3.8规定:电源线浪涌保护器安装在各个位置时,浪涌保护器的连接线应短而直,总长度不应大于0.5m。
2.接线时,应根据上图标准选择导线,不得小于连接导线的zui小截面积。在实际安装中。第二级SPD的连接导线截面积必须>6mm2,第1级SPD的连接导线截面积必须≥16mm2。

四、安装过程中应该注意:
(1)浪涌保护器之间的能量协调问题:
如果电压开关型浪涌保护器与限压型浪涌保护器之间的线路长度小于10米,与限压型浪涌保护器之间的线路长度小于5米,则应在两级浪涌保护器之间增设退耦装置。当浪涌保护器具有能量自动配合功能时,浪涌保护器之间的距离不受限。
(2)被保护设备的耐冲击电压额定值:
浪涌保护装置安装时应考虑被保护装置的Uw值(抗冲击电压额定值),其Up值必须小于Uw值。设备越精密,其抗冲击电压额定值越低,所以需要选择的SPDUp值也越低。
低压SPD浪涌保护器的安装和保护,合理的安装浪涌保护器,更有效地保护电子设备不受过电压的损害,发挥出更好的保护效果。杭州易造科技专注防雷十余年,自主研发生产的YSPD系列浪涌保护器满足用户任何需求,专业团队提供一对一定制服务,24小时上门安装,综合考虑浪涌保护器安装位置、接线形式、保护模式的选择,产品生产用心,客户使用放心。欢迎垂询。
-End-
微信咨询
官方公众号
