替代进口SPD
经常听人提到浪涌保护器的共模保护和差模保护,到底它们之间有什么区别呢?今天易造小编来为大家介绍什么是电涌保护器的共模保护和全模保护模式?
一、什么是电涌保护器的保护模式?浪涌保护器的共模保护和全模保护有什么区别?在GB/T 18802.12-2014中3.1.30对保护模式的标准定义:
SPD保护元件可连接在L(相线;也叫火线)、N(零线;也叫中性线)、PE(保护线)之间,即相对相、相对中性线、相对地、中性线对地及其组合(L-L、L-N、L-PE、N-PE),即在端子间保护被保护元器件的电流路径,这些连接方式称作保护模式。
目前,电涌保护器的保护模式大部分是4个保护模式(L-PE,N-PE),即三根火线分别与保护线,中性线与保护线连接。
二、什么是电涌保护器的共模保护和差模保护?
GB/T 18802.12-2014中6.1.1:位于或靠近被保护装置的起始点的SPD应至少被连接在以下几点之间:
a)如果在或接近被保护装置的起始点处中性线和PE有直接连接,或没有中性线;
在每条相线和总接地端子之间或保护导线之间,以连接线较短为优先选择;
b)如果在或接近被保护装置的的起始点处中性线和PE没有直接连接:
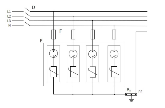
连接类型1(CT1)—在每条相线和总接地端子之间或保护导线之间(L-PE),在中性线和总接地端子之间或保护导线之间(N-PE),连接线以较短优先原则,见图1所示。

图1 连接类型1(CT1)
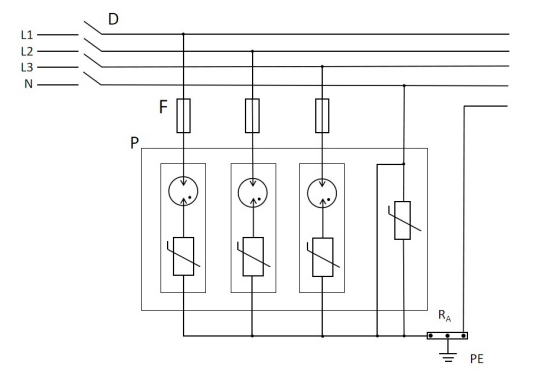
连接类型2(CT2)—在每条相线和中性线之间(L-N),在中性线和总接地端子或保护导线之间(N-PE),以连接线较短为优先原则,见图2所示。

图2 连接类型2(CT2)
说明:
D-断路器
F-后备保护装置(熔断器或断路器)
P-电涌保护器
RA-总接地端子或排
由于雷电电涌本质上是共模现象,因此交流电源SPD主要以共模方式(在有源导体和地之间)连接。某些应用需要额外的差模保护(在相线和零线之间)。
浪涌保护器的共模保护和全模保护有什么区别?故由上标准定义我们可以总结出较为普遍的说法:
1、SPD接在相线之间(L-L)或相线与零线(L-N)之间称为差模接法保护。
2、SPD接在相线与地线之间(L-PE)或零线与地线(N-PE)之间称为共模接法保护(图1 CT1)。
3、全模式(L-N、N-PE)指差模保护和共模保护(图2 CT2),即三根火线之间,三根火线分别与中性线,三根火线分别与保护线,中性线与保护线,即全模式最多有10模式。

浪涌保护器的共模保护器和差模保护的区别您了解了吗?如果还想了解更多关于电涌保护器的信息,欢迎致电:133-8651-1449
-End-
微信咨询
官方公众号
