替代进口SPD
一、为何要进行浪涌保护器的协调配合
1、国标50343-2012中5.4.3.10:入户处**级电源浪涌保护器与被保护设备间的线路长度大于LPO(振荡保护距离)或 Lpi(感应保护距离)值时,应在配电线路的分配电箱处或在被保护设备处增设浪涌保护器。当分配电箱处电源浪涌保护器与被保护设备间的线路长度大于LPO(振荡保护距离)或Lpi(感应保护距离)值时,应在被保护设备处增设浪涌保护器。在一条线路上设置多级浪涌保护器时应考虑他们之间的能量协调配合。
2、国标18802.12中6.2.6.1:某些应用场合需要两个(或更多)SPD以便使被保护设备的电应力减到一个可接受的值(较低的电压保护水平),并且减低该建筑物内的瞬态电流。依据两个SPD的能量耐受值,为了获得可接受的电应力分配,有必要进行配合。
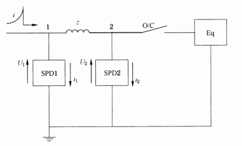
SPD典型应用电路图
说明:
Eq —正常工作时的被保护设备;
0/C —开路(设备从供电系统断开);
i —侵入电涌。
1、如果两个SPD之间的距离相对于电涌持续时间很短,那么电感的影响可忽略,则SPD2 可能承较多的电应力。选择合适的 SPD应考虑两个SPD之间的阻抗,把上图中的i2值降低到可接受的水平,以达到良好的配合当然,这个工作也能把第2个SPD的残压降低到期望的值。
2、国标50343-2012中5.4.3.8:电源线路浪涌保护器在各个位置安装时,浪涌保护器的连接导线应短直,其总长度不宜大于0.5m。有效保护水平Up/f应小于设备耐冲击电压额定值Uw。
3、国标50343-2012中5.4.3.6:当电压开关型浪涌保护器至限压型浪涌保护器之间的线路长度小于10m、限压型浪涌保护器之间的线路长度小于5m时,在两级浪涌保护器之间应加装退耦装置。当浪涌保护器具有能量自动配合功能时,浪涌保护器之间的线路长度不受限制。
-END-
微信咨询
官方公众号


