替代进口SPD
防雷浪涌保护器是低压行业雷击安全防护的主要产品。在设计方案之初,根据供电系统种类的不一样,采用不同的设计方案结构:一是3+1(3pN)结构,二是4+0(4P)结构。
4+0结构的防雷浪涌保护器常用于TN-S供电系统的电气设备避雷防护,例如大部分的数据机房采用的TN-S供电系统。从安全模式上而言,4+0结构的防雷浪涌保护器采用的是共模保护措施,也就是火线対地线和零线対地线中间的防护。3+1结构,换句话说3pN结构的防雷浪涌保护器,采用的是全模保护措施(火线零线対零线,零线对地线),采用这种结构的防雷浪涌保护器适用全部种类供电系统(IT、TT、TN-C、TN-S、TN-C-S)电气设备的避雷防护。由于安全模式更全,因此,一般在较高防护要求的场地,多采用3pN结构的防雷浪涌保护器。
依照上述,针对TN-S系统,就出現了二种防雷浪涌保护器选择方案,即对TN-S系统而言,既能用3pN结构防雷浪涌保护器,也能用4P结构防雷浪涌保护器。在具体项目中,一般的防雷公司都是优先选择3PN来替代4P结构的防雷浪涌保护器。可不了解避雷技术的人就会不理解,为啥TN-S系统中3PN结构的防雷浪涌保护器也可以用呢?
早期因经济条件的限定,我国采用TT供电系统,是由于TT系统在确保了基础的供电系统可靠性和安全性的基础上,对比TN-S系统少了一根专用的接地线,从而能节省20%的成本。近些年,尤其是2010年之后,随着我国经济的髙速发展,供电系统的安全得到了高度重视,目前一些安全规定较高的加工厂、工程施工临时用电已在國家规定标准中强制采用三相五线制的TN-S系统。
下面我们就来看看TN-S系统采用4P和3PN结构防雷浪涌保护器的差别:

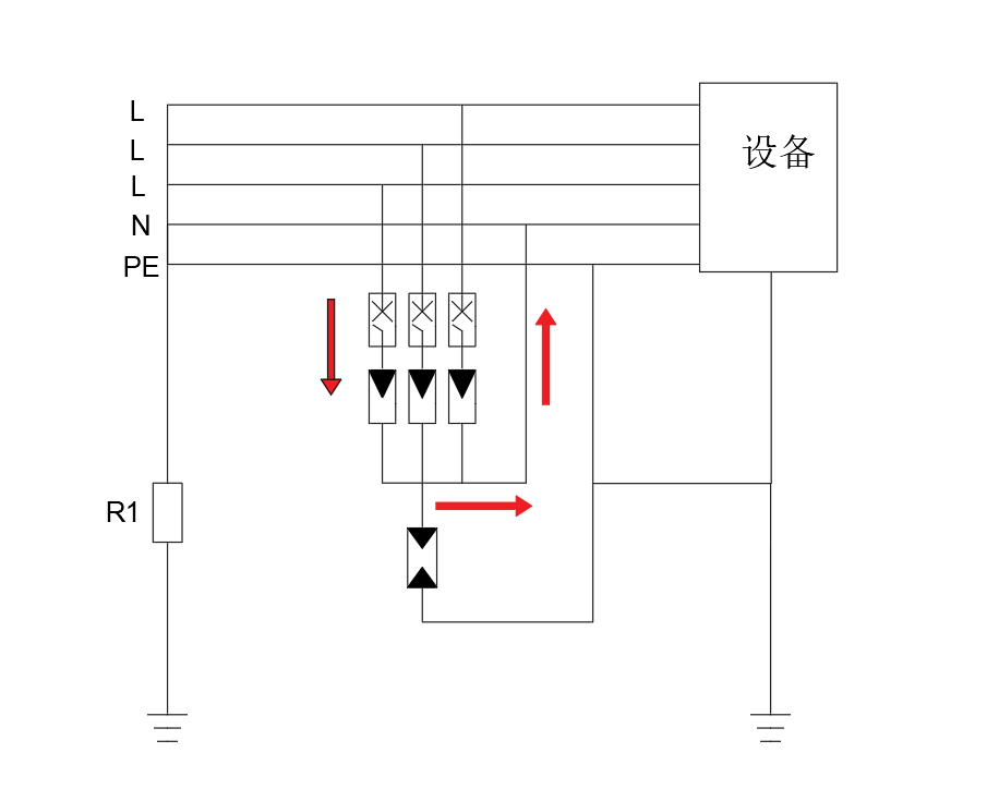
图1
如图1显示TN-S系统3PN接线方法,能看出,当在其中某一相防雷浪涌保护器失效时,因放电间隙的隔离作用,常见故障电流会经N线回到电源,该短路故障不会导致电气设备造成对地电压,也就不会导致电击安全事故。

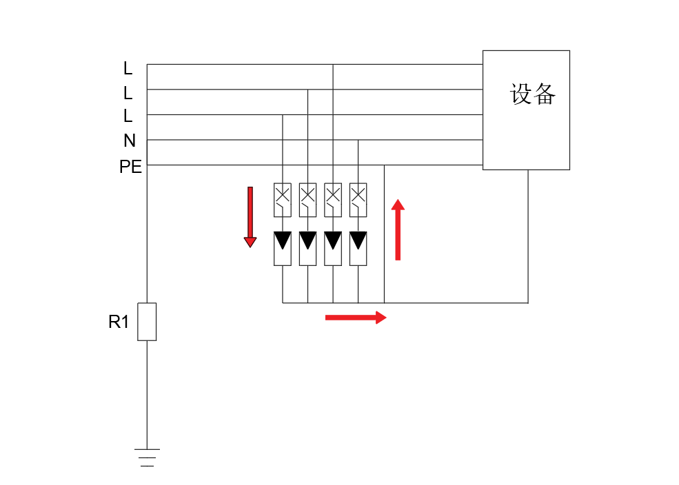
如图2显示4P接线方法,由于PE线沒有对地电压,与N线类似,因此,当在其中某一相防雷浪涌保护器失效时,电流经PE线返回电源,可是由于在同一变压器供电系统范畴内,TN-S系统中的PE线多是串联的,当某一相电涌失效,会导致该相接地故障,该故障电压会顺着PE线传输到其他电气设备,进而威胁到同一变压器供电系统范畴内的其他电气设备的安全运行,如这时系统中某一台电气设备的等电位连接欠佳,可能产生电气设备毁坏的状况。
经上所述,在TN-S系统中,可采用3PN结构的防雷浪涌保护器,且比4P结构防雷浪涌保护器保护效果更强。
微信咨询
官方公众号