替代进口SPD
GB50054《低压配电设计规范》:低压配电系统有三种接地形式,即IT系统、TT系统、TN系统。
第1字母表示电源端与地的关系
T:电源变压器中性点直接接地。
I:电源变压器中性点不接地,或通过高阻抗接地。
第二个字母表示电气装置的外露可导电部分与地的关系
T:电气装置的外露可导电部分直接接地,此接地点在电气上独立于电源端的接地点。
N:电气装置的外露可导电部分与电源端接地点有直接电气连接。
后续字母描述中性线与保护线的关系:
S :中性线和保护线分开
C :那边中性线和保护线合并(一条导线)
不同的接地方式
浪涌保护器怎么选型?
根据GB50057附录J表J.1.2所示:

其中接线形式1表示SPD安装在RCD的负荷侧,接线形式2代表SPD安装在RCD的电源侧。
TT系统:

如图所示:TT系统SPD浪涌保护器安装在RCD的负荷侧时,使用4P接线模式,实现了L线与PE线、N线与PE线之间的共模保护。

如图所示:TT系统SPD安装在RCD的电源侧时,相线和PE线中不能直接连接,接线模式为3P+N模式,4个浪涌保护器中有一个充当了N和PE线之间的共模保护,而另外三个连接在L和N线之间实现的是差模保护。
TN-C系统:

如图所示:TN-C系统N线和PE线合并为一条线,称为PEN线,此时电路系统中实际上为相线和PEN线单独连接,为3P接线模式。
TN-S系统SPD安装在RCD的负荷侧时,使用4P接线模式,SPD浪涌保护器安装在RCD的电源侧时,相线和PE线中不能直接连接,连线模式为3P+N模式。
TN-C-S系统:


如图所示:TN-C-S系统前部分为TN-C方式供电,后部分从PEN线中分出N线和PE线。在N与PE线的连接处SPD用3P,在N与PE线分开10m以后安装SPD时用4P,即在N与PE线间增加一个。
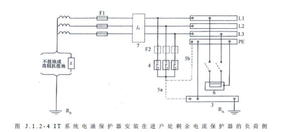
IT系统:

不引出中线的IT系统,实际上只使用了3P的接线模式;引出中线的IT系统SPD安装在RCD的负荷侧时,使用4P接线模式;SPD安装在RCD的电源侧时,相线和PE线中不能直接连接,接线模式为3P+N。
杭州易造科技有限公司生产的浪涌保护器适用于各种接地系统的要求,有500多种规格型号,无损全检技术,灌胶工艺,使得易造的浪涌保护器一致性好,新型一体化度集成设计,使得易造产品拥有大通流量,同时低UP的优点,目前主要用于轨道交通,风力发电,石油化工等行业电力系统,欢迎合作伙伴咨询!
-End-
微信咨询
官方公众号
